Services

Full Circle Automation Inc. provides industrial automation services to a wide range of manufacturing companies.

Our Services

Custom engineered Drive, PLC and HMI systems

img 2435 thumb
img 2413 thumb
img 2376 thumb
Allen-Bradley ControlLogix (GuardLogix)
Safety Processor and Devicenet Safety I/O
Communication via Ethernet to Parker SSD Drives LINK Rack and Panel View +

System start-up and commissioning

img 2371 thumb
Turret Unwind with flying splice controlled from Allen-Bradley PanelView +

Operator panel engineering and construction

img 2449 thumb
blackscreen thumb
Rewind operator station with Allen-Bradley PanelView +
Extrusion Laminator main operator station Allen-Bradley PanelView + Screen Capture

PLC and Supervisory Control Systems

metallizer thumb
pipes thumb
Metallizer operator interface using Wonderware Software
Plastic film scrap recovery system using Allen-Bradley PanelView +

Recipe and Batch control

extruder thumb
Extruder recipe controls using Allen-Bradley PanelView +

Equipment retrofits

img 2466 thumb
img 2468 thumb
BEFORE : Obsolete Eurotherm 545 Analog DC Drive system
AFTER : Replaced with new Parker SSD 590+ Digital DC Drives

Turnkey automated solutions

img 2361 thumb
Allen-Bradley CompactLogix PLC with Ethernet communication to Parker SSD LINK Rack

Plant floor data collection

trending wonderware thumb
Production trending using Wonderware software

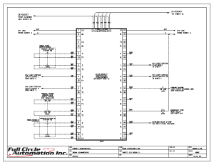
CAD Schematics

schematic thumb
Sample CAD electrical schematic

Customer tailored training

training
Customer tailored training

24 Hr service support and custom PM programs

24hour service
24 hr service support and custom preventative maintenance programs

Automation hardware and software provider

automation1
automation2 thumb
Allen-Bradley PLC's, HMI's, and Drives
Parker SSD Drives AC, DC and Servo Drives
s7 family
omron micro plc
Siemens PLC's, HMI's and Drives
Omron PLC's, Drives, Power Supplies